Kenwood TS-660 (TS 660 TS660) mods reviews software and diagrams

   
 
ham | what is new | links
 Welcome to Www.Hampedia.net  submit to reddit
15 October 2025, 4:17 UTC 


SDR


ELAD
SDRplay

Transceivers


Kenwood
Midland
Yaesu
Alinco
Icom
Other

Antennas


M2
Par
Gap
Sirio
Araki
Maco
Nil-Jon
Maldol
Comet
Hustler
Nagoya
Watson
Hy-Gain
Dressler
Cue Dee
Solarcon
Diamond
Cushcraft
Quicksilver
Moonraker

Power supplies


Powerbox
Kenwood
Diamond
Samlex
Mascot
Daiwa
Yaesu
Alinco
Icom
H&H

Rotators


M2
CDE
Yaesu
Create
Kenpro

Antenna tuners


MFJ
LDG
SGC
Icom
Yaesu
Mizuho
Dentron
Kenwood
Sommerkamp
Barker & Williamson

Repeaters


GME
Icom
Zodiac
Kenwood

Transverters


Microwave Modules
Tokyo Hy-Power
SSB Electronics
Tecnostudi
Kenwood
Yaesu
Minix

Meters


Diamond
Comet
Bird
MFJ

Ham resources


Propagation:
  Sporadic E skip (Es)
  Backscatter
  Tropo
  Meteor Scatter (MS)
  F2 Skip
  Aurora
  Trans-equatorial scatter (TE)
  Lightning scatter (LS)

Kenwood TS-660 (TS 660 TS660)
TS-660
Programming interface schematics for Kenwood :
Programming software for Kenwood TS-660 (TS 660 TS660) :
PDF User Manual for Kenwood TS-660 (TS 660 TS660) :
PDF Service Manual/schematics for Kenwood TS-660 (TS 660 TS660) :

Mods for Kenwood TS-660 (TS 660 TS660) :
   Kenwood TS-660 (TS 660 TS660) Coverage to cover 20-33MHz and 46-55MHz
   Kenwood TS-660 (TS 660 TS660) Microprocessor Latchup

Kenwood TS-660 (TS 660 TS660) technical specifications :  Kenwood TS-660 (TS 660 TS660) technical specifications



Kenwood TS-660 (TS 660 TS660) Coverage to cover 20-33MHz and 46-55MHz

Modification summary:

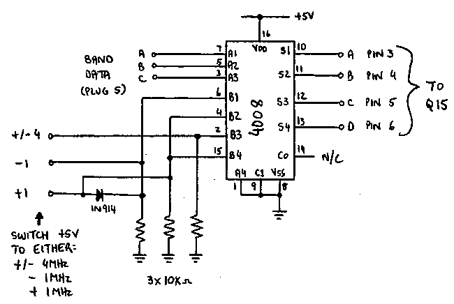
The "n" data to the 1MHz PLL needs to changed so as to introduce a 1, 2, 3 or 4 MHz offset.

Access to the PLL Unit is required.

There are many ways of achieving this, from a simple toggle switch to introduce a -4MHz offset to more elaborate schemes involving EPROMs and the like.

I must thank Graham, VK6RO, who originally published the idea (1982) of shifting the coverage down 4MHz to copy TV signals in the 46-50MHz range. It was Graham's idea that prompted me to create my own TS-660 mods in 1986, as detailed here. Although I reluctantly sold my 660 in 1996 I present the mods here to those who may be interested.

Bill of Materials:

1 x CMOS 4008 4-Bit adder

1 x 4 position miniature rotary switch

1 x 1N914 diode or equiv

2 x 10k ¼W resistors

hookup wire

veroboard

 

Band Truth Table (original coverage):

MHz D C B A  n     Notes 1) D=8  C=4  B=2  A=1

21  0 1 0 1  10          2) Logic is inverted

24  0 0 1 0  13

26  0 1 0 0  11

27  0 1 0 1  10

28  0 1 1 0   9

29  0 1 1 1   8

50  0 1 0 0  11

51  0 0 1 1  12

52  0 0 1 0  13

53  0 0 0 1  14

As you can see the "D" input to Q15 is always "0" and permanently tied low.

 

Band Truth Table (expanded coverage):

MHz D C B A  n   Offset from nearest band

20  0 1 1 0   9  -1MHz & -1n from 21MHz

21  0 1 0 1  10

22  0 1 0 0  11  +1MHz & +1n from 21MHz

23  0 0 1 1  12  -1MHz & -1n from 24MHz

24  0 0 1 0  13

25  0 0 0 1  14  +1MHz & +1n from 24MHz

26  0 1 0 0  11

27  0 1 0 1  10

28  0 1 1 0   9

29  0 1 1 1   8

30  1 0 0 0   7  +4MHz & -4n from 26MHz

31  1 0 0 1   6  +4MHz & -4n from 27MHz

32  1 0 1 0   5  +4MHz & -4n from 28MHz

33  1 0 1 1   4  +4MHz & -4n from 29MHz

46  1 0 0 0   7  -4MHz & -4n from 50MHz

47  0 1 1 1   8  -4MHz & -4n from 51MHz

48  0 1 1 0   9  -4MHz & -4n from 52MHz

49  0 1 0 1  10  -4MHz & -4n from 53MHz

50  0 1 0 0  11

51  0 0 1 1  12

52  0 0 1 0  13

53  0 0 0 1  14

54  0 0 0 0  15  +1MHz & +1n from 53MHz

You will need to access the "D" line as we now need to switch that as well.

(This may involve cutting a track or removing a link to ground - I can't remember which!)

Switching the offset in:

In order to switch in the offset I removed the 6.5mm Key socket mounted on the rear and replaced it with a miniature 4-position rotary switch. The switch was wired for;

  1. Normal

  2. -1MHz offset

  3. +1MHz offset

  4. 4MHz offset

You will note from the truth table that for both +4MHz and -4MHz we need to subtract 4 from the n-count anyway.

The adding & subtracting is achieved by using a CMOS 4008 4-bit Full adder.

Refer to the schematic below;

The original band data is fed into the "A" inputs of the 4008, and the offset switch is fed into the "B" inputs of the 4008.

Results:

You may find that your VCOs (and there are three VCOs) don't remain locked over the entire range the logic is capable of. Improvements were made in my TS-660 by making the following changes;

  1. 28MHz VCO - Replace C11 (27pf) with 56pf

  2. 50MHz VCO - Add 22pf across C18 (18pf)

This scheme worked very well, and I added more features by upgrading to an EPROM based system. By using the "Hold" button and feeding TXB into the EPROM address lines as well as the band data and the offset data I introduced a "Repeater" and "Reverse Repeater" mode. This allowed me to run repeater mode without having to use both VFOs - very annoying! I could program the repeater output frequency into a memory and switch in the -1MHz offset when transmitting.

The complete PLL Unit Schematic:

Click on the picture below to see a larger image.


More Kenwood Radioamateur Transceivers

Kenwood VHF/UHF Handhelds:
    Kenwood TH-D7AG (TH D7 AG THD7AG) service manual and specs
    Kenwood TH-D7E (TH D7E THD7E) service manual and specs
    Kenwood TH-D72A (TH D72A THD72A) service manual and specs
    Kenwood TH-D72E (TH D72E THD72E) service manual and specs
    Kenwood TH-F6A (TH F6A THF6A) service manual and specs
    Kenwood TH-F7E (TH F7E THF7E) service manual and specs
    Kenwood TH-G71E (TH G71E THG71E) service manual and specs
    Kenwood TH-K2AT (TH K2 AT THK2AT) service manual and specs
    Kenwood TH-K2E (TH K2E THK2E) service manual and specs
    Kenwood TH-K2ET (TH K2ET THK2ET) service manual and specs
    Kenwood TH-K4E (TH K4E THK4E) service manual and specs
    Kenwood TH-K7 (TH K7 THK7) service manual and specs
    Kenwood TH-21AT (TH 21AT TH21AT) service manual and specs
    Kenwood TH-21E (TH 21E TH21E) service manual and specs
    Kenwood TH-22E (TH 22E TH22E) service manual and specs
    Kenwood TH-25AT (TH 25AT TH25AT) service manual and specs
    Kenwood TH-25E (TH 25E TH25E) service manual and specs
    Kenwood TH-26E (TH 26E TH26E) service manual and specs
    Kenwood TH-27E (TH 27E TH27E) service manual and specs
    Kenwood TH-28E (TH 28E TH28E) service manual and specs
    Kenwood TH-41E (TH 41E TH41E) service manual and specs
    Kenwood TH-42E (TH 42E TH42E) service manual and specs
    Kenwood TH-45AT (TH 45AT TH45AT) service manual and specs
    Kenwood TH-45E (TH 45E TH45E) service manual and specs
    Kenwood TH-46E (TH 46E TH46E) service manual and specs
    Kenwood TH-47E (TH 47E TH47E) service manual and specs
    Kenwood TH-48E (TH 48E TH48E) service manual and specs
    Kenwood TH-55E (TH 55E TH55E) service manual and specs
    Kenwood TH-59 (TH 59 TH59) service manual and specs
    Kenwood TH-75E (TH 75E TH75E) service manual and specs
    Kenwood TH-77A (TH 77A TH77A) service manual and specs
    Kenwood TH-77E (TH 77E TH77E) service manual and specs
    Kenwood TH-78E (TH 78E TH78E) service manual and specs
    Kenwood TH-79E (TH 79E TH79E) service manual and specs
    Kenwood TH-89 (TH 89 TH89) service manual and specs
    Kenwood TH-205E (TH 205E TH205E) service manual and specs
    Kenwood TH-215E (TH 215E TH215E) service manual and specs
    Kenwood TH-405E (TH 405E TH405E) service manual and specs
    Kenwood TH-415E (TH 415E TH415E) service manual and specs
    Kenwood TR-2200A (TR 2200A TR2200A) service manual and specs
    Kenwood TR-2200G (TR 2200G TR2200G) service manual and specs
    Kenwood TR-2200GII (TR 2200GII TR2200GII) service manual and specs
    Kenwood TR-2200GX (TR 2200GX TR2200GX) service manual and specs
    Kenwood TR-2200 (TR 2200 TR2200) service manual and specs
    Kenwood TR-2300 (TR 2300 TR2300) service manual and specs
    Kenwood TR-2400 (TR 2400 TR2400) service manual and specs
    Kenwood TR-2500 (TR 2500 TR2500) service manual and specs
    Kenwood TR-2600E (TR 2600 E TR2600E) service manual and specs
    Kenwood TR-3200 (TR 3200 TR3200) service manual and specs
    Kenwood TR-3500 (TR 3500 TR3500) service manual and specs
    Kenwood TR-3600 (TR 3600 TR3600) service manual and specs

Kenwood Mobile VHF/UHF Transceivers:
    Kenwood TM-D700A (TM D700A TMD700A) service manual and specs
    Kenwood TM-D700E (TM D700E TMD700E) service manual and specs
    Kenwood TM-G707E (TM G707E TMG707E) service manual and specs
    Kenwood TM-V7A (TM V7A TMV7A) service manual and specs
    Kenwood TM-V7E (TM V7E TMV7E) service manual and specs
    Kenwood TM-V708 (TM V708 TMV708) service manual and specs
    Kenwood TM-V708A (TM V708A TMV708A) service manual and specs
    Kenwood TM-201A (TM 201A TM201A) service manual and specs
    Kenwood TM-211E (TM 211E TM211E) service manual and specs
    Kenwood TM-221E (TM 221E TM221E) service manual and specs
    Kenwood TM-231E (TM 231E TM231E) service manual and specs
    Kenwood TM-241E (TM 241E TM241E) service manual and specs
    Kenwood TM-251E (TM 251E TM251E) service manual and specs
    Kenwood TM-255E (TM 255E TM255E) service manual and specs
    Kenwood TM-261A (TM 261A TM261A) service manual and specs
    Kenwood TM-271A (TM 271 A TM271A) service manual and specs
    Kenwood TM-401A (TM 401A TM401A) service manual and specs
    Kenwood TM-411E (TM 411E TM411E) service manual and specs
    Kenwood TM-431E (TM 431E TM431E) service manual and specs
    Kenwood TM-441E (TM 441E TM441E) service manual and specs
    Kenwood TM-451E (TM 451E TM451E) service manual and specs
    Kenwood TM-455E (TM 455E TM455E) service manual and specs
    Kenwood TM-461A (TM 461A TM461A) service manual and specs
    Kenwood TM-521A (TM 521A TM521A) service manual and specs
    Kenwood TM-531E (TM 531E TM531E) service manual and specs
    Kenwood TM-541 (TM 541 TM541) service manual and specs
    Kenwood TM-631A (TM 631A TM631A) service manual and specs
    Kenwood TM-642 (TM 642 TM642) service manual and specs
    Kenwood TM-701E (TM 701E TM701E) service manual and specs
    Kenwood TM-702E (TM 702E TM702E) service manual and specs
    Kenwood TM-721A (TM 721A TM721A) service manual and specs
    Kenwood TM-721E (TM 721E TM721E) service manual and specs
    Kenwood TM-731A (TM 731A TM731A) service manual and specs
    Kenwood TM-731E (TM 731E TM731E) service manual and specs
    Kenwood TM-732A (TM 732A TM732A) service manual and specs
    Kenwood TM-732E (TM 732E TM732E) service manual and specs
    Kenwood TM-733E (TM 733E TM733E) service manual and specs
    Kenwood TM-741E (TM 741E TM741E) service manual and specs
    Kenwood TM-742E (TM 742E TM742E) service manual and specs
    Kenwood TM-833S (TM 833S TM833S) service manual and specs
    Kenwood TM-842 (TM 842 TM842) service manual and specs
    Kenwood TM-941A (TM 941A TM941A) service manual and specs
    Kenwood TM-942 (TM 942 TM942) service manual and specs
    Kenwood TM-2400 (TM 2400 TM2400) service manual and specs
    Kenwood TM-2550E (TM 2550E TM2550E) service manual and specs
    Kenwood TR-50 (TR 50 TR50) service manual and specs
    Kenwood TR-751A (TR 751A TR751A) service manual and specs
    Kenwood TR-751E (TR 751E TR751E) service manual and specs
    Kenwood TR-851E (TR 851E TR851E) service manual and specs
    Kenwood TR-7100 (TR 7100 TR7100) service manual and specs
    Kenwood TR-7200G (TR 7200G TR7200G) service manual and specs
    Kenwood TR-7400A (TR 7400A TR7400A) service manual and specs
    Kenwood TR-7500 (TR 7500 TR7500) service manual and specs
    Kenwood TR-7600 (TR 7600 TR7600) service manual and specs
    Kenwood TR-7730 (TR 7730 TR7730) service manual and specs
    Kenwood TR-7800 (TR 7800 TR7800) service manual and specs
    Kenwood TR-7850 (TR 7850 TR7800) service manual and specs
    Kenwood TR-7930 (TR 7930 TR7930) service manual and specs
    Kenwood TR-7950 (TR 7950 TR7950) service manual and specs
    Kenwood TR-8300 (TR 8300 TR8300) service manual and specs
    Kenwood TR-8400 (TR 8400 TR8400) service manual and specs
    Kenwood TR-9000 (TR 9000 TR9000) service manual and specs
    Kenwood TR-9130 (TR 9130 TR9130) service manual and specs
    Trio TR-9300 (TR 9300 TR9300) service manual and specs
    Kenwood TR-9500 (TR 9500 TR9500) service manual and specs
    Kenwood TS-60S (TS 60S TS60S) service manual and specs
    Kenwood TW-4000A (TW 4000A TW4000A) service manual and specs
    Kenwood TW-4100E (TW 4100E TW4100E) service manual and specs
    Kenwood TM-V71A (TM V71A TMV71A) service manual and specs
    Kenwood TM-D710A (TM D710A TMD710A) service manual and specs
    Kenwood TM-V71E (TM V71E TMV71E) service manual and specs
    Kenwood TM-281A (TM 281A TM281A) service manual and specs

Kenwood Base VHF/UHF:
    Trio TR-2E (TR 2 E TR2E) service manual and specs
    Kenwood TS-600 (TS 600 TS600) service manual and specs
    Kenwood TS-700A (TS 700 A TS700A) service manual and specs
    Kenwood TS-700G (TS 700 G TS700G) service manual and specs
    Kenwood TS-700S (TS 700 S TS700S) service manual and specs
    Kenwood TS-711E (TS 711 E TS711E) service manual and specs
    Kenwood TS-770 (TS 770 TS770) service manual and specs
    Kenwood TS-780 (TS 780 TS780) service manual and specs
    Kenwood TS-790E (TS 790 E TS790E) service manual and specs
    Kenwood TS-811E (TS 811 E TS811E) service manual and specs

Kenwood HF and More Transceivers:
    Kenwood TS-50S (TS 50 S TS50S) service manual and specs
    Kenwood TS-120S (TS 120 S TS120S) service manual and specs
    Kenwood TS-120V (TS 120 V TS120V) service manual and specs
    Kenwood TS-130S (TS 130 S TS130S) service manual and specs
    Kenwood TS-130V (TS 130 V TS130V) service manual and specs
    Kenwood TS-140S (TS 140 S TS140S) service manual and specs
    Kenwood TS-180S (TS 180 S TS180S) service manual and specs
    Kenwood TS-430S (TS 430 S TS430S) service manual and specs
    Kenwood TS-440S (TS 440 S TS440S) service manual and specs
    Kenwood TS-450S (TS 450 S TS450S) service manual and specs
    Kenwood TS-480 (TS 480 TS480) service manual and specs
    Kenwood TS-510 (TS 510 TS510) service manual and specs
    Kenwood TS-515 (TS 515 TS515) service manual and specs
    Kenwood TS-520S (TS 520 S TS520S) service manual and specs
    Kenwood TS-520SE (TS 520 SE TS520SE) service manual and specs
    Kenwood TS-530S (TS 530 S TS530S) service manual and specs
    Kenwood TS-570DG (TS 570 DG TS570DG) service manual and specs
    Kenwood TS-570S (TS 570 S TS570S) service manual and specs
    Kenwood TS-660 (TS 660 TS660) service manual and specs
    Kenwood TS-670 (TS 670 TS670) service manual and specs
    Kenwood TS-680S (TS 680 S TS680S) service manual and specs
    Kenwood TS-690S (TS 690 S TS690S) service manual and specs
    Kenwood TS-820 (TS 820 TS820) service manual and specs
    Kenwood TS-820S (TS 820 S TS820S) service manual and specs
    Kenwood TS-830S (TS 830 S TS830S) service manual and specs
    Kenwood TS-850S (TS 850 S TS850S) service manual and specs
    Kenwood TS-870S (TS 870 S TS870S) service manual and specs
    Kenwood TS-900 (TS 900 TS900) service manual and specs
    Kenwood TS-930S (TS 930 S TS930S) service manual and specs
    Kenwood TS-940S (TS 940 S TS940S) service manual and specs
    Kenwood TS-950S (TS 950 S TS950S) service manual and specs
    Kenwood TS-950SDX (TS 950 SDX TS950SDX) service manual and specs
    Kenwood TS-2000 (TS 2000 TS2000 TS-2000X TS-B2000) service manual and specs
    Kenwood TS-590S (TS 590 S TS590S) service manual and specs
    Kenwood TS-990S (TS 990 S TS990S) service manual and specs

Kenwood Transmitters:
    Kenwood T-599D (T 599D T599D) service manual and specs
    Trio TX-310 (TX 310 TX310) service manual and specs
    Kenwood TX-599 (TX 599 TX599) service manual and specs
    Kenwood TX-599 Custom Special (TX 599 Custom Special TX599 Custom Special) service manual and specs

CB Equipment


President
Midland
Uniden
Zodiac

 Power amplifiers


Beko
Icom
Alinco
Drake
Yaesu
Daiwa
Collins
Kenwood
DanAmps
Ameritron
Autophon
Eto/Alpha
Command Technologies
E.F.Johnson
Dentron Radio Co.

FRS/GMRS


Bell
GPX
ENC
Tekk
Icom
Sony
Alinco
Drake
Cobra
Maxon
Vertex
Conair
Uniden
Jenson
Ranger
Midland
Whistler
Magnum
Unwired
Coleman
Motorola
Audiovox
Memorex
Columbia
Samsung
Standard
Kenwood
Cherokee
Panasonic
Freetalker
Vtech Vtalk
RadioShack
Fanon Courier
Sharper Image
General Electric
Oregon Scientific

PMR446


Sommerkamp
FreeQuency
Goodmans
Kenwood
Lafayette
President
Binatone
Motorola
Multicom
Albrecht
Maycom
Topcom
Xtreme
Ondico
Telcom
Maxon
Vertex
Zodiac
Yaesu
Cobra
Alinco
Icom
Alan
ITT