Icom IC-970H (IC 970 H IC970H) transceiver mods reviews software and diagrams

   
 
ham | what is new | links
 Welcome to Www.Hampedia.net  submit to reddit
14 January 2026, 21:03 UTC 


SDR


ELAD
SDRplay

Transceivers


Kenwood
Midland
Yaesu
Alinco
Icom
Other

Antennas


M2
Par
Gap
Sirio
Araki
Maco
Nil-Jon
Maldol
Comet
Hustler
Nagoya
Watson
Hy-Gain
Dressler
Cue Dee
Solarcon
Diamond
Cushcraft
Quicksilver
Moonraker

Power supplies


Powerbox
Kenwood
Diamond
Samlex
Mascot
Daiwa
Yaesu
Alinco
Icom
H&H

Rotators


M2
CDE
Yaesu
Create
Kenpro

Antenna tuners


MFJ
LDG
SGC
Icom
Yaesu
Mizuho
Dentron
Kenwood
Sommerkamp
Barker & Williamson

Repeaters


GME
Icom
Zodiac
Kenwood

Transverters


Microwave Modules
Tokyo Hy-Power
SSB Electronics
Tecnostudi
Kenwood
Yaesu
Minix

Meters


Diamond
Comet
Bird
MFJ

Ham resources


Propagation:
  Sporadic E skip (Es)
  Backscatter
  Tropo
  Meteor Scatter (MS)
  F2 Skip
  Aurora
  Trans-equatorial scatter (TE)
  Lightning scatter (LS)

Icom IC-970H (IC 970 H IC970H)
IC-970H
Programming interface schematics for Icom:
Programming software for Icom IC-970H (IC 970 H IC970H) :
PDF User Manual for Icom IC-970H (IC 970 H IC970H) :Icom IC-970H Instruction Manual
PDF Adjusments Procedures Manual with schematics for Icom IC-970H (IC 970 H IC970H) :
Schematics for Icom IC-970H (IC 970 H IC970H) :

Mods for Icom IC-970H (IC 970 H IC970H) :
    Icom IC-970H (IC 970 H IC970H) mod
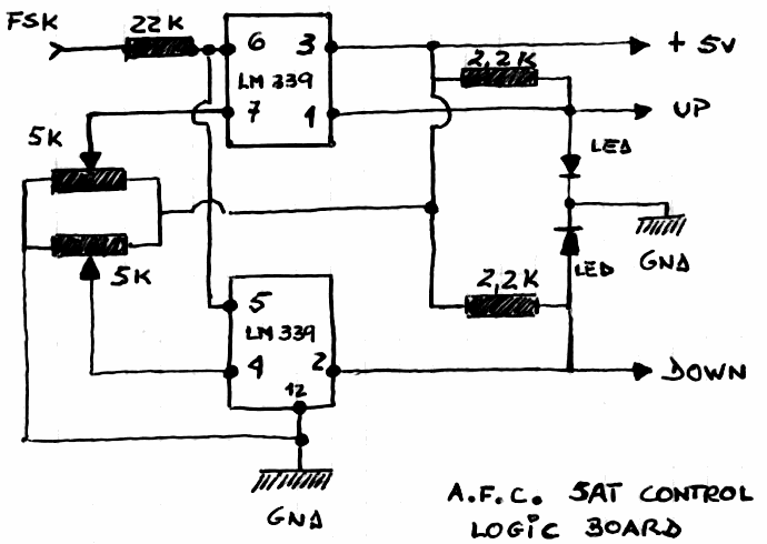
    Icom IC-970H (IC 970 H IC970H) AFC Sat Control
    Icom IC-970H (IC 970 H IC970H) expanded RF
    Icom IC-970H (IC 970 H IC970H) Repeater Operation
    Icom IC-970H (IC 970 H IC970H) with 9600 Baud

Icom IC-970H (IC 970 H IC970H) technical specifications :  Icom IC-970H (IC 970 H IC970H) technical specifications



Icom IC-970H (IC 970 H IC970H) AFC Sat Control

Material
  • IC - LM 339 x 1
  • Resistence 22k x 1
  • Resistence 2,2k x 2
  • Green Led x 1
  • Red Led x 1
  • Pot 5k x 2

This Logic board is design and tested for Icom IC-970H and Yaesu FT-736R, however other radios can be used with it.

I have decided to install mine inside of the radio.

To use it with Yaesu FT-736R use the following connections:

Microphone Pins

 
Pin 2 = +5 Volts
Pin 1 = UP Key
Pin 7 = GND - Ground
Pin 2 = DOWN Key

Don't forget to adjust 5K Pots to center Sat Frequency.

CB Equipment


President
Midland
Uniden
Zodiac

 Power amplifiers


Beko
Icom
Alinco
Drake
Yaesu
Daiwa
Collins
Kenwood
DanAmps
Ameritron
Autophon
Eto/Alpha
Command Technologies
E.F.Johnson
Dentron Radio Co.

FRS/GMRS


Bell
GPX
ENC
Tekk
Icom
Sony
Alinco
Drake
Cobra
Maxon
Vertex
Conair
Uniden
Jenson
Ranger
Midland
Whistler
Magnum
Unwired
Coleman
Motorola
Audiovox
Memorex
Columbia
Samsung
Standard
Kenwood
Cherokee
Panasonic
Freetalker
Vtech Vtalk
RadioShack
Fanon Courier
Sharper Image
General Electric
Oregon Scientific

PMR446


Sommerkamp
FreeQuency
Goodmans
Kenwood
Lafayette
President
Binatone
Motorola
Multicom
Albrecht
Maycom
Topcom
Xtreme
Ondico
Telcom
Maxon
Vertex
Zodiac
Yaesu
Cobra
Alinco
Icom
Alan
ITT